![]() |
![]() |
![]() |
|
STipo
Type
|
Stock |
Dimensões Básicas (mm)
Basic dimensions (mm)
|
Torx
Screw
|
Shim | Torx Wrench | Shim Screw |
Wrench
|
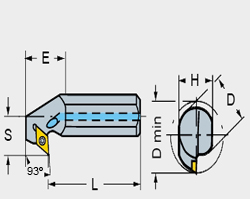
|||||||
|---|---|---|---|---|---|---|---|---|---|---|---|---|---|---|
| R | L | Dmin | d | L | h | s | e | ![]() |
![]() |
|||||
S(Sólido)A(Refrig) |
S20Q SDZCR/L11
|
N
|
N
|
27 |
20
|
180
|
18
|
15
|
35
|
5513 10
|
–
|
T15B |
–
|
– |
| S25R SDZCR/L11 | S | S | 33 | 25 | 200 | 23 | 17 | 40 | ||||||
| S32S SDZCR/L11 | S | S | 40 | 32 | 250 | 30 | 22 | 45 | ||||||
| S40T SDZCR/L11 | S | S | 50 | 40 | 300 | 37 | 27 | 45 | ||||||
| A20Q SDZCR/L11 | S | N | 27 | 20 | 180 | 18 | 15 | 35 | ||||||
| A25R SDZCR/L11 | N | N | 33 | 25 | 200 | 23 | 17 | 40 | ||||||
| A32S SDZCR/L11 | N | N | 40 | 32 | 250 | 30 | 22 | 45 | ||||||
| A40T SDZCR/L11 | N | N | 50 | 40 | 300 | 37 | 27 | 45 | ||||||
|
Tipo
|
E/F 07
|
DC” “0702” “
|
DC” “0702” “
|
DC” “0702” “
|
DC” “0702” “
|
|---|---|---|---|---|---|
| H/K/M/11 | DC” “11T3 “ | DC” “11T3 “ | DC” “11T3 “ | DC” “11T3 “ | |






















